Вощина: что это такое, виды, изготовление своими руками в домашних условиях Вощина имеет огромное значение…
Рубрика “Своими руками”
Категория: Своими руками
Как из сварочного инвертора сделать плазморез своими руками? Рекомендации по изготовлению! Отслужившие детали различных машины…
Браширование древесины своими руками: инструмент, методы, видео — Токарь На сегодня одним из модных материалов,…
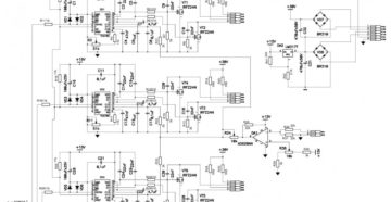
Простая ультразвуковая ванна – своими руками собираем прибор для бытового применения (Нет рейтинга) Загрузка… Приветствую….
Кромкогибочный станок своими руками Сделать листогибочный станок своими руками не так сложно, как кажется. Особенно…
Расточная головка для фрезерного станка своими руками Расточная головка – это основной инструмент для выполнения…
Как сделать резак для бумаги своими руками — Справочник металлиста Эта самоделка может стать полезной…
Самодельная делительная головка для токарного станка » Станок » Головка расточная для фрезерного станка Расточные…
Тиристорный регулятор мощности своими руками: схемы Тиристорные регуляторы мощности применяются как в быту (в аналоговых…
Как сделать пеллеты в домашних условиях Из-за всеобщего подорожания традиционных видов энергоносителей, используемых для обогрева…









