10 лучших производителей сверл Место Наименование Характеристика в рейтинге Лучшие иностранные производители сверл 1 Metabo…
Рубрика “Металл”
Категория: Металл
Токарная обработка в Москве на станках с ЧПУ от ООО Траяна Токарная обработка применяется при…
Фрезы для ЧПУ: разновидности и классификация, области применения Фрезы – одна из разновидностей режущего инструмента….
Электродуговая металлизация в Москве Защита деталей из черных и цветных металлов от коррозии путем нанесения…
Как правильно резать болгаркой: на себя или от себя Болгарка — это универсальный инструмент, без…
Как сделать листогиб своими руками Разнообразные листогибочные операции – важная часть общих работ по строительству…
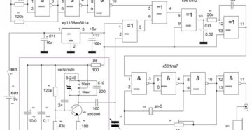
Металлоискатель своими руками – схемы, особенности применения и настройка чувствительности (115 фото) Металлоискатели используют для…
Оборудование для резки металла страница » Информация » Оборудование для резки металла Всё оборудование для…
Что делает токарный станок: что можно на нем сделать, как им пользоваться Токарные станки, основа…
Бронза – свойства, виды, применение, расшифровка маркировки бронзовых сплавов Своей высокой популярностью бронза обязана не…








