Газовый холодильник: принцип работы и сборка своими руками Сегодня сложно найти дом, в котором не…
Рубрика “Своими руками”
Категория: Своими руками
Машинки из бумаги (схемы, развертка, выкройка, шаблоны, видео) В этом мастер-классе мы покажем, как сделать…
9 необычных приспособлений для хранения инструментов Перевел SaorY для mozgochiny.ru Доброго времени суток, мозгочины! Мастерская,…
Датчик потока воды для насоса своими руками Бережное отношение к технике, обеспечивающей подачу воды, существенно…
Самодельная перосъемная машина своими руками для ощипывания кур, гусей и уток — Твоя любимая ферма…
Заработать своими руками: ТОП-25 способов делать деньги на дому Сейчас во всём мире на пике…
Поделки из покрышек своими руками — 105 фото лучших идей и проектов Куда деть старые…
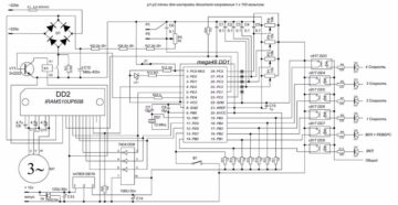
Частотный преобразователь своими руками Частотный преобразователь своими руками — представляю вам небольшую статью о асинхронном…
Как сделать лазерный уровень своими руками — Electro City Вы здесь:В покупке дорогостоящего нивелира для…
Трубогиб: обзор и разбор вариантов самодельных конструкций, расчет, чертежи, реализация Обустраивая хозяйство, рано или поздно…









