Как новичкам правильно сваривать металл инвертором Для соединения заготовок и листов используется специализированное оборудование. Самыми…
Рубрика “Сварка”
Категория: Сварка
Как правильно варить чугун электродами? — Металлы, оборудование, инструкции страница » О сварке » Как…
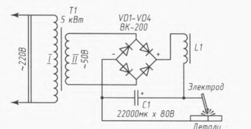
Сварочный аппарат постоянного тока своими руками: моя схема 20 лет назад по просьбе товарища собирал…
Сверло для высверливания точечной сварки: как высверлить на автомобиле и заточка сверла Сварка точечной техникой…
Как правильно выбрать качественную сварочную маску хамелеон Простые и не очень удобные стеклянные фильтры сменили…
Холодная сварка для металла — инструкция по применению instrument.guru > Сварочные > Холодная сварка для…
5 лучших сварочных генераторов Когда необходимо создать швы на металлическом изделии в удаленной местности без…
Производители сварочного оборудования в России — Справочник металлиста Инверторные сварочные агрегаты пользуются огромным спросом не…
Как правильно приварить петли на металлическую дверь самостоятельно Легкость открывания и закрывания двери из металла,…
Сварка листового полиэтилена — Справочник металлиста 8 Мая 2018 Разбираемся в видах и возможностях сварки…









