Как правильно загнуть профильную трубу для теплицы % Согнуть профильную трубу в домашних условиях требуется…
Рубрика “Своими руками”
Категория: Своими руками
Мойка высокого давления своими руками: вымысел или реальность Здравствуйте! Я снова с вами и готов…
Ящик для инструментов своими руками Настоящий мастер своего дела хранит инструменты аккуратно и упорядоченно, ведь…
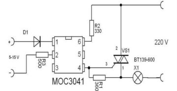
Твердотельное реле своими руками | Все своими руками Твердотельное реле (ТТР) или Solid State Relay…
Рыбный клей своими руками — Справочник металлиста ПВА используется рыбаками не так давно. е применение…
Как сделать циклон для пылесоса своими руками? Сделать циклон для пылесоса своими руками при наличии…
Колун для дров – как сделать механический колун своими руками Домовладельцам, отапливающим жилище дровяным котлом…
Сопло лаваля своими руками ФЕДЕРАЛЬНОЕ ГОСУДАРСТВЕННОЕ БЮДЖЕТНОЕ ОБРАЗОВАТЕЛЬНОЕ УЧЕЖДЕНИЕ ВЫСШЕГО ПРОФЕСИОНАЛЬНОГО ОБРАЗОВАНИЯ «ИЖЕВСКАЯ ГОСУДАРСТВЕННАЯ СЕЛЬСКОХОЗЯЙСТВЕНАЯ…
Кованые ворота своими руками: чертежи, фото, схемы Кованные ворота во все времена – это всегда…
Изготавление муфельной печи своими руками При производстве различных изделий из керамики или металла требующих термической…









