Можно ли варить в дождь электросваркой — Станки, сварка, металлообработка Среди гениальных изобретений человечества электросварка,…
Рубрика “Сварка”
Категория: Сварка
Что такое плазменный сварочный аппарат? Время чтения: 6 минут В середине прошлого века инженеры впервые…
Ацетиленовая сварка Старая сварочная технология, с помощью которой всегда получается красивый и прочный шов, ацетиленовая…
Стоимость сварочных работ: как рассчитать в зависимости от типа и сложности Если необходимо провести сварочные…
Как сварить отопление из железных труб Правильное соединение труб отопления – это предупреждение теплопотерь и…
К какой категории относится помещение сварочного поста — справочник металлиста Всегда интересно знать, что находится…
Ищем маленький инверторный сварочный аппарат Сварочный прибор, который будет отличаться небольшим размером и легким весом,…
Как правильно выбрать сварочный кабель 29.04.2019 После покупки инвертора выясняется, что входящий в комплект сварочный…
Импульсная сварка своими руками Импульсная сварка — что это такое? По сути своей, это обычная электродуговая сварка, в процессе…
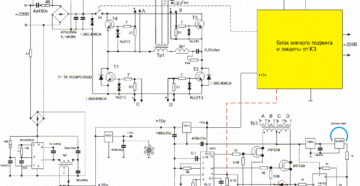
Как увеличить мощность сварочного инвертора — Станки, сварка, металлообработка Характеристики большинства бюджетных инверторов нельзя назвать…









